Thiết bị chống sét lan truyền sử dụng nhiều thiết bị chống sét kết hợp chế độ bảo vệ, song song, đế tích hợp, mô-đun cắm được, thiết kế khóa địa chấn, có chỉ báo trạng thái hoạt động, chức năng báo động từ xa khi xảy ra sự cố.
01. Khả năng chịu dòng điện lớn, điện áp giới hạn thấp;
02. Điện áp hoạt động thích hợp, mạch bảo vệ ổn định;
03. Tích hợp bảo vệ quá nhiệt, quá dòng, không chảy liên tục, độ tin cậy và an toàn cao;
04. Cấu trúc mô-đun cắm được, mô-đun chống cắm nhầm, có thể thay thế, dễ bảo trì;
05. Có chức năng chỉ báo trạng thái và báo động từ xa;
06. Công nghệ tinh tế, có thể hoạt động trong môi trường khắc nghiệt trong thời gian dài, sử dụng thanh ray dẫn hướng DIN 35mm cố định, lắp đặt dễ dàng, bảo trì đơn giản.
Naming rule

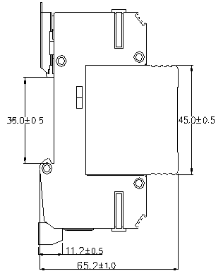
Dimension

Thông số kĩ thuật



